Ten artykuł to praktyczny przewodnik, który pomoże Ci bezpiecznie i prawidłowo dobrać bezpiecznik do prostownika 12V. Dowiesz się, jak odczytać kluczowe parametry z urządzenia i uniknąć kosztownych błędów, zapewniając ochronę zarówno prostownikowi, jak i akumulatorowi.
Jaki bezpiecznik do prostownika 12V wybrać? Kluczowe zasady doboru i bezpieczeństwa
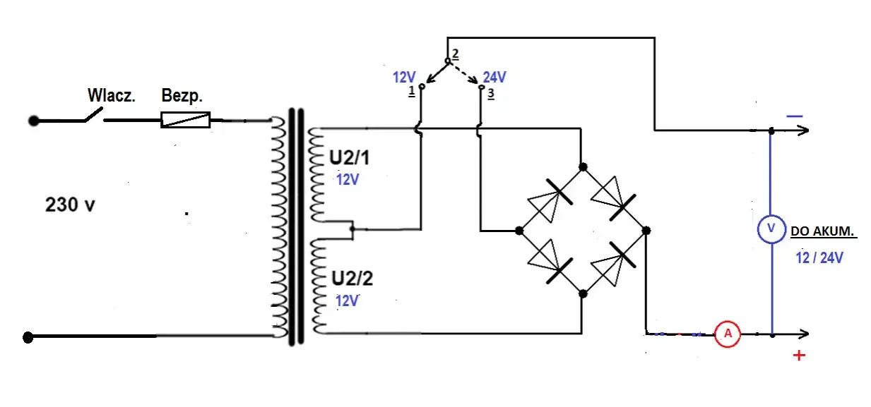
- Większość prostowników posiada dwa bezpieczniki: jeden na wejściu 230V (chroni prostownik) i drugi na wyjściu 12V (chroni przed zwarciem i odwrotnym podłączeniem).
- Bezpiecznik 12V (wyjściowy) jest najczęściej poszukiwanym przez użytkowników i musi mieć wartość wyższą niż maksymalny prąd ładowania prostownika.
- Dla prostownika o prądzie ładowania 10A, zaleca się bezpiecznik 15A lub 20A, najczęściej typu samochodowego płytkowego.
- Kluczowe informacje do doboru bezpiecznika znajdziesz na tabliczce znamionowej prostownika, szukając parametru "Output" (prąd ładowania w amperach).
- Założenie zbyt słabego bezpiecznika spowoduje jego częste przepalanie, natomiast zbyt mocnego (tzw. "drutowanie") grozi poważnym uszkodzeniem sprzętu lub pożarem.
Dobór odpowiedniego bezpiecznika do prostownika to nie tylko kwestia techniczna, ale przede wszystkim fundamentalny element bezpieczeństwa. Jako Igor Makowski, zawsze podkreślam, że prawidłowo dobrany bezpiecznik stanowi pierwszą linię obrony, chroniąc nie tylko sam prostownik, ale także podłączony akumulator oraz całą instalację elektryczną pojazdu. To niewielki element, który potrafi zapobiec naprawdę poważnym i kosztownym awariom.
Bezpiecznik w prostowniku ma za zadanie chronić urządzenie przed skutkami nieprzewidzianych zdarzeń, takich jak zwarcie, przeciążenie czy odwrotne podłączenie klem. Kiedy bezpiecznik się przepala, nie jest to usterka sama w sobie, lecz raczej sygnał ostrzegawczy znak, że coś poszło nie tak i należy zidentyfikować przyczynę, zanim ponownie uruchomimy urządzenie. Zignorowanie tego sygnału i wymiana bezpiecznika na niewłaściwy może mieć katastrofalne skutki.Muszę z całą stanowczością przestrzec przed stosowaniem bezpiecznika o zbyt wysokiej wartości, a już w ogóle przed tzw. "drutowaniem", czyli zastępowaniem bezpiecznika kawałkiem drutu. Jest to skrajnie niebezpieczne i może prowadzić do szeregu poważnych konsekwencji. W przypadku zwarcia lub odwrotnego podłączenia klem, zbyt mocny bezpiecznik po prostu nie zadziała. Może to skutkować:
- Uszkodzeniem prostownika: Prąd o zbyt wysokiej wartości bez odpowiedniego zabezpieczenia może spalić transformator, diody prostownicze lub inne komponenty wewnętrzne.
- Uszkodzeniem instalacji elektrycznej samochodu: Jeśli prostownik jest podłączony do pojazdu, niekontrolowany prąd może uszkodzić delikatną elektronikę, przewody, a nawet moduły sterujące.
- Pożarem: Przegrzewające się przewody, komponenty prostownika lub akumulatora mogą zapalić się, stwarzając realne zagrożenie pożarowe.
- Eksplozją akumulatora: W skrajnych przypadkach, nadmierny prąd ładowania lub zwarcie może doprowadzić do przegrzania akumulatora, wydzielania się łatwopalnych gazów i w konsekwencji do jego eksplozji.

Prostownik i jego dwa bezpieczniki: który z nich jest dla Ciebie?
Z mojego doświadczenia wynika, że wiele osób nie zdaje sobie sprawy, iż większość prostowników, szczególnie tych transformatorowych, posiada dwa niezależne bezpieczniki. Jeden z nich znajduje się po stronie zasilania 230V (wejście), a drugi po stronie ładowania 12V (wyjście). Choć użytkownik najczęściej szuka informacji o bezpieczniku 12V, to zrozumienie funkcji obu jest kluczowe dla prawidłowego użytkowania i bezpieczeństwa.
Bezpiecznik po stronie 230V to zabezpieczenie wejściowe. Jego głównym zadaniem jest ochrona przed skutkami uszkodzenia samego prostownika, na przykład zwarcia w uzwojeniu transformatora. Wartość amperową tego bezpiecznika oblicza się, dzieląc moc prostownika (w watach) przez napięcie sieciowe (230V) i dodając niewielki margines bezpieczeństwa. Przykładowo, dla prostownika o mocy 120W, prąd wynosi około 0,52A, dlatego zazwyczaj stosuje się bezpiecznik rurkowy o wartości 0,6A lub 0,8A. Najczęściej jest to szklany bezpiecznik rurkowy topikowy o wymiarach 5x20 mm i charakterystyce zwłocznej (oznaczenie "T"), co oznacza, że nie przepala się natychmiast przy krótkotrwałych, niewielkich przeciążeniach.
Z kolei bezpiecznik po stronie 12V to zabezpieczenie wyjściowe i to właśnie on najczęściej interesuje użytkowników, gdy prostownik przestaje ładować. Jego rola jest niezwykle ważna: chroni przed odwrotnym podłączeniem klem do akumulatora (zamiana plusa z minusem), zwarciem samych klem lub przeciążeniem podczas ładowania. Wartość tego bezpiecznika musi być zawsze wyższa niż maksymalny prąd ładowania prostownika. Dla prostownika o prądzie ładowania 10A, stosuje się bezpiecznik o wartości 15A lub 20A. W tym przypadku najczęściej spotykamy standardowe bezpieczniki samochodowe płytkowe (w rozmiarach UNI, mini lub maxi), które są łatwo dostępne i proste w wymianie.

Tabliczka znamionowa prostownika: klucz do prawidłowego doboru bezpiecznika
Zawsze powtarzam moim klientom, że tabliczka znamionowa prostownika to najważniejsze źródło informacji, które pozwala na prawidłowy dobór bezpiecznika. To na niej producent umieszcza wszystkie kluczowe parametry. Zachęcam do dokładnego zlokalizowania jej na obudowie swojego urządzenia i poświęcenia chwili na analizę:
- Zlokalizuj tabliczkę znamionową: Zazwyczaj znajduje się ona na tylnej, bocznej lub dolnej części obudowy prostownika. Czasem może być to naklejka, czasem wytłoczony lub wygrawerowany panel.
- Znajdź sekcje "Input" i "Output": Producenci zazwyczaj wyraźnie rozdzielają parametry wejściowe (Input dotyczące zasilania 230V) i wyjściowe (Output dotyczące ładowania 12V).
- Odczytaj moc i prąd: Dla strony "Input" szukaj mocy prostownika podanej w Watach (W). Dla strony "Output" kluczowy jest maksymalny prąd ładowania, podany w Amperach (A).
Ważne jest, aby zrozumieć różnicę między mocą (W) a prądem ładowania (A) w kontekście doboru bezpieczników. Moc w Watach (W) jest istotna przede wszystkim dla bezpiecznika 230V (wejściowego), ponieważ to ona określa pobór prądu z sieci. Natomiast maksymalny prąd ładowania w Amperach (A) jest parametrem absolutnie kluczowym dla bezpiecznika 12V (wyjściowego), gdyż to on określa, jaki prąd może popłynąć do akumulatora i przed jakim prądem musimy chronić obwód wyjściowy.
Dobór bezpiecznika 12V: proste obliczenia dla Twojego bezpieczeństwa
Przechodzimy do sedna, czyli do praktycznego doboru bezpiecznika 12V. To właśnie ten element jest najczęściej wymieniany przez użytkowników i jego prawidłowy dobór ma bezpośredni wpływ na bezpieczeństwo użytkowania prostownika i akumulatora.
Podstawowa zasada, którą zawsze należy się kierować, jest taka: wartość bezpiecznika po stronie 12V musi być zawsze wyższa niż maksymalny prąd ładowania prostownika, ale z niewielkim zapasem. Dlaczego tak? Prostownik, zwłaszcza przy podłączaniu do głęboko rozładowanego akumulatora, może chwilowo pobierać prąd nieco wyższy niż jego nominalna wartość maksymalna. Zbyt niski bezpiecznik będzie się wtedy przepalał bez wyraźnej przyczyny, co jest frustrujące i niepotrzebne. Zbyt duży zapas jest jednak równie niebezpieczny, ponieważ bezpiecznik nie spełni swojej funkcji ochronnej w przypadku zwarcia.
Podam konkretny, praktyczny przykład, który powinien rozwiać wszelkie wątpliwości: jeśli masz prostownik o maksymalnym prądzie ładowania wynoszącym 10A (tę informację znajdziesz na tabliczce znamionowej w sekcji "Output"), powinieneś zastosować bezpiecznik o wartości 15A lub 20A. Jest to standardowy i bezpieczny zakres dla takiego urządzenia, zapewniający zarówno ochronę, jak i stabilną pracę.
Warto również krótko wspomnieć o charakterystyce bezpieczników. Bezpieczniki o charakterystyce zwłocznej (oznaczone literą "T" od "time-lag") są typowe dla strony 230V, gdzie potrzebna jest odporność na krótkotrwałe przeciążenia (np. prąd rozruchowy transformatora). Dla bezpieczników 12V (wyjściowych) najczęściej stosuje się standardowe bezpieczniki samochodowe płytkowe. Mają one charakterystykę szybką lub średnio-szybką, co jest odpowiednie do natychmiastowej reakcji na nagłe zwarcia i przeciążenia, chroniąc w ten sposób akumulator i sam prostownik.
Unikaj błędów: najczęstsze problemy z bezpiecznikami w prostownikach
W mojej praktyce często spotykam się z sytuacjami, gdzie przepalenie bezpiecznika jest mylnie interpretowane jako poważna usterka prostownika. Tymczasem może to być sygnał ostrzegawczy lub wynik prostego błędu. Oto najczęstsze problemy, z którymi się spotykam:
- Zbyt słaby bezpiecznik: Jeśli bezpiecznik przepala się bez wyraźnej przyczyny, np. zaraz po podłączeniu do głęboko rozładowanego akumulatora, który chwilowo pobiera większy prąd rozruchowy, prawdopodobnie jest on zbyt słaby. Należy go wymienić na bezpiecznik o wartości zalecanej przez producenta lub z niewielkim zapasem, jak opisałem wcześniej.
- Wewnętrzna usterka prostownika: Ciągłe przepalanie się bezpiecznika, nawet po wymianie na prawidłowy, może wskazywać na poważniejszą awarię wewnętrzną, taką jak zwarcie w uzwojeniu transformatora, uszkodzenie diod prostowniczych lub innych komponentów. W takim przypadku prostownik wymaga profesjonalnej diagnostyki i naprawy.
- Uszkodzone kable lub klemy: Uszkodzona izolacja przewodów ładowania, przetarcia, czy zwarcia na klemach (np. przez przypadkowe dotknięcie się plusa i minusa) również natychmiast spowodują przepalenie bezpiecznika. Zawsze przed podłączeniem prostownika sprawdź stan przewodów i klem.
Szczególnie ważne jest to, co dzieje się przy odwrotnym podłączeniu klem do akumulatora (zamiana plusa z minusem). Prawidłowo dobrany bezpiecznik 12V powinien w takiej sytuacji natychmiast się przepalić, chroniąc prostownik i akumulator. Jeśli bezpiecznik się nie przepali, oznacza to jedno z dwóch: albo jest on nieprawidłowo dobrany (zbyt mocny), albo w ogóle go nie ma, co jest skrajnie niebezpieczne i może prowadzić do poważnego uszkodzenia obu urządzeń. Warto jednak pamiętać, że nowoczesne prostowniki mikroprocesorowe często posiadają zaawansowane zabezpieczenia elektroniczne, które mogą działać zamiast tradycyjnego bezpiecznika topikowego lub w jego uzupełnieniu, automatycznie odcinając zasilanie w przypadku błędu.
Dla jasności, oto najczęściej spotykane typy bezpieczników w prostownikach:
- Bezpieczniki płytkowe (samochodowe): Są to najczęściej stosowane bezpieczniki na wyjściu 12V. Występują w różnych rozmiarach (UNI, mini i maxi) i są łatwo dostępne w każdym sklepie motoryzacyjnym.
- Bezpieczniki rurkowe (szklane): Zazwyczaj spotykane na wejściu 230V. Wymagają specjalnej oprawy i są mniej wygodne w wymianie niż płytkowe.
- Bezpieczniki topikowe: To ogólna nazwa dla bezpieczników, których element topikowy topi się pod wpływem nadmiernego prądu. Obejmuje ona zarówno bezpieczniki płytkowe, jak i rurkowe.
Moja rada jest prosta: zawsze wymieniaj bezpiecznik na dokładnie taki sam typ i o tej samej wartości amperowej, jaką zaleca producent w instrukcji obsługi lub jaka była oryginalnie zamontowana. Nie eksperymentuj z innymi wartościami, chyba że masz pewność, że oryginalny był źle dobrany.
Szybka ściągawka: 3 kluczowe zasady doboru bezpiecznika
Podsumowując, aby bezpiecznie i skutecznie dobrać bezpiecznik do prostownika, zapamiętaj te trzy kluczowe zasady:
- Zawsze sprawdzaj tabliczkę znamionową prostownika i instrukcję obsługi, aby poznać maksymalny prąd ładowania (parametr "Output" w Amperach) i na tej podstawie dobrać odpowiedni bezpiecznik 12V. To Twoje podstawowe źródło informacji.
- Dobieraj bezpiecznik 12V z lekkim zapasem (np. 15A lub 20A dla prostownika 10A), ale nigdy "na oko" i pod żadnym pozorem nie stosuj "drutowania" ani bezpieczników o zbyt wysokiej wartości. Bezpieczeństwo jest najważniejsze.
- Pamiętaj, że sprawny i prawidłowo dobrany bezpiecznik to najtańsze i najskuteczniejsze ubezpieczenie dla Twojego prostownika, akumulatora i, co najważniejsze, Twojego bezpieczeństwa. Nie oszczędzaj na nim.